Registreeri
Unustasid parooli
Avaleht
Uudised
Üldtingimused
Kontakt
eesti keeles
in english
по русски
latviski
lietuviškai
www.autokataloog.ee
Sõiduautode lisavarustus
Elektritarvikud ja materjalid
Toote otsing
Tootegrupid
Sõiduautode varuosad
Sõiduautode lisavarustus
MUDELIKOHANE LISAVARUSTUS
Akud, akulaadijad, inverterid ja käivitusabid
Audio/video ja navigatsioon
Autoistmed RECARO
Eelsoojendid CALIX
Eelsoojendid WEBASTO
Elektriautode laadimine
Istmekatted PEBE
Kaitserauad
Kapotikaitsed
Katuseluugid
Kerekaitse- ja ilutarvikud
Koerapuurid ja -võred
Käetoed esiistmete vahele
Lastekärud, turvahällid ja -toolid
Lumeketid ja -sokid
Mugavusvarustus
Pagasimatid
Pikapide kastikatted, küljelaiendid, kapoti- ja tagaluugi amordid
Päikesevarjud akendele CarShades
Radiaatori tuulekaitsed
Salongimatid, kummist
Salongimatid, tekstiilist
SmartVan kaubikute lisavarustus
Tagastange laadimiskaitsed
Transporditarvikud THULE jt.
Transpordikotid ja pagasihoidjad
Turvavarustus
Tuulesuunajad küljeakendele
Valgustus ja tarvikud
Veokonksud ja tarvikud
Vintsid ja tarvikud
Elektritarvikud ja materjalid
Üldised lisatarvikud
Gaasiseadmed
Tulekustutustekk BRIDGEHILL
Tulekustutuse süsteemid BLAZECUT
Õhu filtreerimissüsteemid WEBASTO
Haagissuvilate varustus
Haagise tarvikud ja varuosad
Rasketehnika varuosad
Rasketehnika lisavarustus
Paadivarustus
Päikeseenergia lahendused
Akud ja patareid
Sõidukite valgustus ja tarvikud
LED Valgustus
Autokeemia
Õlid ja määrdeained
Tööriistad
Töökojavarustus
Üldised lisatarvikud
Rent
Leiunurk
Reklaamtooted
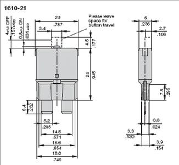
Automaatkaitse 10A Max 24V Midi
Toodete fotod on illustratiivsed!
Prindi
Kauba kood
P-1610.1
SJH KM-ga
9,15