Registreeri
Unustasid parooli
Avaleht
Uudised
Üldtingimused
Kontakt
eesti keeles
in english
по русски
latviski
lietuviškai
www.autokataloog.ee
Paadivarustus
Tekivarustus
Toote otsing
Tootegrupid
Sõiduautode varuosad
Sõiduautode lisavarustus
Haagissuvilate varustus
Haagise tarvikud ja varuosad
Rasketehnika varuosad
Rasketehnika lisavarustus
Paadivarustus
Otsad, ketid, vendrid
Tekivarustus
Kajut ja kambüüs
Elektroonika ja navigatsioon
Elekter
NÄIDIKUD ja tarvikud
Tuled, valgustid ja tarvikud
Turvalisus
Mugavusvarustus
Paadikeemia
Roostevabad tooted
Katuseluugid
Veesüsteemi osad
Webasto eelsoojendid
Webasto kliimaseadmed
Päikeseenergia lahendused
Akud ja patareid
Sõidukite valgustus ja tarvikud
LED Valgustus
Autokeemia
Õlid ja määrdeained
Tööriistad
Töökojavarustus
Üldised lisatarvikud
Rent
Leiunurk
Reklaamtooted
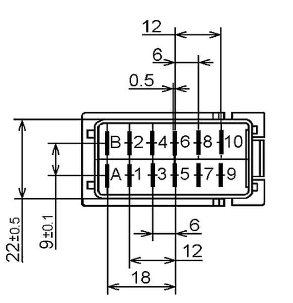
Lüliti universaalne lüliti
Toodete fotod on illustratiivsed!
Prindi
Kauba kood
S-533-192
SJH KM-ga
17,27
Tootega seotud failid
S-533-192--luliti-skeemid.pdf
S-533-192--sumbolplaadid.pdf