Registreeri
Unustasid parooli
Avaleht
Uudised
Üldtingimused
Kontakt
eesti keeles
in english
по русски
latviski
lietuviškai
www.autokataloog.ee
Üldised lisatarvikud
Lastekärud, jalgrattatoolid, lasteistmete tarvikud
Toote otsing
Tootegrupid
Sõiduautode varuosad
Sõiduautode lisavarustus
Haagissuvilate varustus
Haagise tarvikud ja varuosad
Rasketehnika varuosad
Rasketehnika lisavarustus
Paadivarustus
Päikeseenergia lahendused
Akud ja patareid
Sõidukite valgustus ja tarvikud
LED Valgustus
Autokeemia
Õlid ja määrdeained
Tööriistad
Töökojavarustus
Üldised lisatarvikud
Alkomeetrid
Auto dokumendikaaned
ELEKTRILISED TARVIKUD
Kanistrid, lehtrid ja mõõtekannud
Koormarihmad
Kotid ja kohvrid THULE
Käivituskaablid
Lastekärud, jalgrattatoolid, lasteistmete tarvikud
Lisapeeglid
Numbrialused
Ohutusvarustus
Parkimiskellad ja tarvikud
Porikummid
Puhastustarvikud
Pukseerimisköied
REHVITARVIKUD JA ILUKILBID
SALONGITARVIKUD
TALVETOOTED
Tunnusmärgid
Tööriistad ja tööriistakomplektid
Õhuvärskendid
Muud lisatarvikud
Jalgratta hooldusvahendid ja tarvikud
VDO näidikud
SIMONS Universiaalne summutisüsteem
Rent
Leiunurk
Reklaamtooted
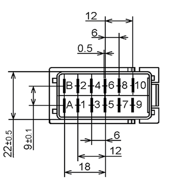
Lüliti universaalne I-0-II 12V,16A
Toodete fotod on illustratiivsed!
Prindi
Kauba kood
S-533-053
SJH KM-ga
15,25
Tootega seotud failid
S-533-053--luliti-skeemid.pdf
S-533-053--sumbolplaadid.pdf