Registreeri
Unustasid parooli
Avaleht
Uudised
Üldtingimused
Kontakt
eesti keeles
in english
по русски
latviski
lietuviškai
www.autokataloog.ee
Rasketehnika lisavarustus
Webasto eelsoojendid
Toote otsing
Tootegrupid
Sõiduautode varuosad
Sõiduautode lisavarustus
Haagissuvilate varustus
Haagise tarvikud ja varuosad
Rasketehnika varuosad
Rasketehnika lisavarustus
Sõidumeerikud
Alkolukud ja alkomeetrid
Webasto eelsoojendid
Konditsioneerid ja kliimaseadmed
Audio ja multimeedia tooted
Tagurduskaamerad ja parkimisandurid
Lülitid, releed, lülitussüsteemid ja tarvikud
Inverterid, akulaadijad, käivitusabid ja aku järelvalve näidikud
Juhtmed, kaablid, liidised
Klaasipuhastajad ja pesuseadmed
Mugavusvarustus
Valgustus ja tarvikud
Keemiatooted
Akud bussidele ja veokitele
Lumeketid König
BLAZECUT tulekustutuse süsteemid
Paadivarustus
Päikeseenergia lahendused
Akud ja patareid
Sõidukite valgustus ja tarvikud
LED Valgustus
Autokeemia
Õlid ja määrdeained
Tööriistad
Töökojavarustus
Üldised lisatarvikud
Rent
Leiunurk
Reklaamtooted
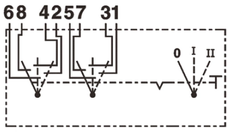
Lüliti universaalne 0-I-II 12/24V
Toodete fotod on illustratiivsed!
Prindi
Kauba kood
S-511-090
SJH KM-ga
15,25