Registreeri
Unustasid parooli
Avaleht
Uudised
Üldtingimused
Kontakt
eesti keeles
in english
по русски
latviski
lietuviškai
www.autokataloog.ee
Sõiduautode varuosad
Muud osad
Toote otsing
Tootegrupid
Sõiduautode varuosad
Mootoriosad
Alusvankri osad
Muud osad
Elektriosad
Väljalaske osad
Sõiduautode lisavarustus
Haagissuvilate varustus
Haagise tarvikud ja varuosad
Rasketehnika varuosad
Rasketehnika lisavarustus
Paadivarustus
Päikeseenergia lahendused
Akud ja patareid
Sõidukite valgustus ja tarvikud
LED Valgustus
Autokeemia
Õlid ja määrdeained
Tööriistad
Töökojavarustus
Üldised lisatarvikud
Rent
Leiunurk
Reklaamtooted
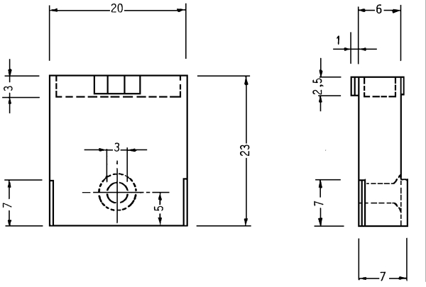
Kaitsmepesa lapikkaitsmele Max 30A 1tk
Toodete fotod on illustratiivsed!
Prindi
Kauba kood
P-178-6150
SJH KM-ga
0,51