Registreeri
Unustasid parooli
Avaleht
Uudised
Üldtingimused
Kontakt
eesti keeles
in english
по русски
latviski
lietuviškai
www.autokataloog.ee
Sõidukite valgustus ja tarvikud
Töötuled
Toote otsing
Tootegrupid
Sõiduautode varuosad
Sõiduautode lisavarustus
Haagissuvilate varustus
Haagise tarvikud ja varuosad
Rasketehnika varuosad
Rasketehnika lisavarustus
Paadivarustus
Päikeseenergia lahendused
Akud ja patareid
Sõidukite valgustus ja tarvikud
Autolambid (pirnid)
Kaubikute LED valgustus SMARTVAN
HELLA LED ValueFit tuled
Lisakaugtuled
Lisaudutuled
Lisaudutulede komplektid
Lisatulede juhtmed / kaablid
Lisatuled sahale
CAN lisatule moodulid
Lisatulede kinnitused
Lisatulede varuosad ja tulede katted
Päevatuled
Tulemoodulid
Töötuled
Töötuli/tagurdustuli ECE-R23
Töötuli / tagurdustuli vilkuriga
Vilkurid/paneelid/sireenid
Juhtmeühendused, liidised jms
Jalgratta tuled
Motopirnid
Muud pirnid
Lambid ja valgustid
Esitulede läike taastamine
Xenon-tulede kõrgusregulaatorid
LED sisevalgustus
Marine valgustus
LED Valgustus
Autokeemia
Õlid ja määrdeained
Tööriistad
Töökojavarustus
Üldised lisatarvikud
Rent
Leiunurk
Reklaamtooted
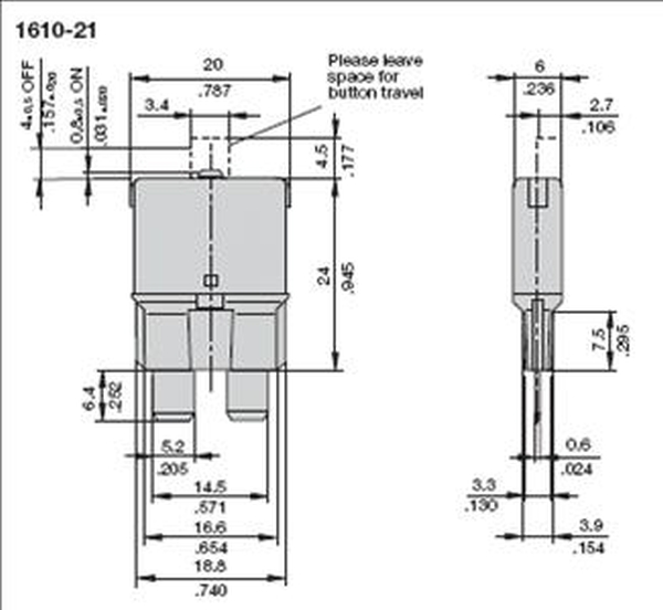
Automaatkaitse 15A Max 24V Midi
Toodete fotod on illustratiivsed!
Prindi
Kauba kood
P-1615.1
SJH KM-ga
10,17